Технические манометры МП4-Уф,
ВП4-Уф, МВП4-Уф
Назначение
Манометры избыточного давления,
вакуумметры и мановакуумметры показывающие МП4-Уф, ВП4-Уф, МВП4-Уф
предназначены для измерения избыточного и вакуумметрического давления
неагрессивных, некристаллизующихся жидкостей, пара и газа, в т. ч. кислорода,
ацетилена.
Технические данные
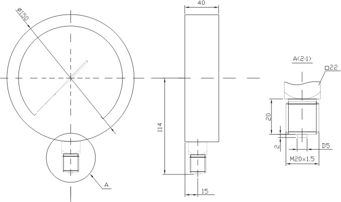
Диаметр корпуса - 150 мм.
Резьба штуцера - М20х1,5.
Диапазон показаний приборов, kgf/см2:
МП4-Уф – от 0 до 0,6; 1; 1,6; 2,5; 4; 6; 10; 16; 25; 40; 60; 100; 160; 250; 400;
600 (жидкости, пар, газ, в т.ч. кислород)
МП4-Уф – от 0 до 1000; 1600 (жидкости)
ВП4-Уф – от -1 до 0;
МВП4-Уф – от -1 до 0,6; 1,5; 3; 5; 9; 15; 24 (жидкости, пар, газ, в т.ч.
кислород)
Класс точности приборов - 1,5.
Диапазон измерений избыточного давления
должен быть от 0 до 75% диапазона показаний; вакуумметрического давления – равен
диапазону показаний.
Приборы устойчивы к воздействию
температуры окружающего воздуха от -50° до +60°С.
Степень защиты приборов от воздействия
твердых частиц, пыли и воды – IP40 и IP53 по ГОСТ 14254-96.
Масса приборов МП4-Уф, ВП4-Уф, МВП4-Уф -
не более 0,9 кг
Габаритные и присоединительные размеры
МП4-Уф

|