Перейти на главную страницу сайта

 

ТХК 9421

 
Сделать заказ >>>
bline.gif (87 bytes)

 Поиск в каталоге:
 
ТХК 9421 Преобразователь термоэлектрический хромель-копелевый / Преобразователи измерительные / Каталог продукции

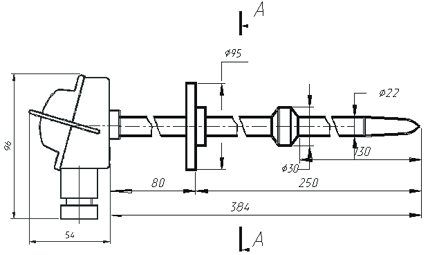
Преобразователь термоэлектрический хромель-копелевый ТХК 9421

Назначение:

для измерения температуры в камере смешения резиносмесителя 

Пример записи при заказе: «Преобразователь термоэлектрический ТХК 9421»

Преобразователь термоэлектрический хромель-копелевый ТХК 9421

 


Заказать ТХК 9421 Преобразователь термоэлектрический хромель-копелевый

  Тел.(4812)386407, 386663, 387597. Факс(4812)385745
E-mail: mail@teploizmerenie.ru