Перейти на главную страницу сайта

 

ТХАУ 002

 
Сделать заказ >>>
bline.gif (87 bytes)

 Поиск в каталоге:
 
ТХАУ 002 Термопреобразователи / Приборы для измерения температуры / Каталог продукции

Термопреобразователи ТХАУ 002

Термопреобразователи предназначены для измерения температуры путем преобразования температуры в токовый выходной сигнал. Осуществляют линеаризацию и преобразование температуры в унифицированный токовый сигнал 0...5 мА, 0...20 мА, 4...20 мА.

Термопреобразователи ТХАУ 002

Рис. 1

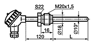
Рис. 2

Рис. 3

Основные технические характеристики

Диапазон измеряемых температур выбирается заказчиком из диапазона от 0 до +900 °С
 
Диапазон выходных токов
0...5 мА, 0...20 мА, 4...20 мА.
 
Основная погрешность
не более 0,5 %
 
Устойчивость:
к климатическим воздействиям по ГОСТ 15150 УХЛ4,2
к пыле и влаге по ГОСТ 14254 IP54
к воздействию вибрации по ГОСТ 12997 V5
 
Материал защитной арматуры
сталь 12X18H10T
 
Напряжение питания
12...36 В
 
Схема подключения термопреобразвателя с выходным сигналом:
0...5 мА, 0...20 мА 3-хпроводная
4...20 мА 2-хпроводная
 
Сопротивление нагрузки с учетом линии связи, кОм
не более 1,0
 
Способ крепления
штуцер М20x1,5

Перечень стандартных длин для ТХАУ 002:

 
Рис. 1 L, мм 320, 400, 500, 630, 800, 1250, 1600, 2000
Рис. 2 L, мм 80, 100, 120, 160, 200, 250, 320, 400, 500, 630, 800, 1000, 1250, 1600, 2000, 2500, 3150
Рис. 3 L, мм 100, 120, 160, 200, 250, 320, 400, 500, 630, 800

Заказать ТХАУ 002 Термопреобразователи

  Тел.(4812)386407, 386663, 387597. Факс(4812)385745
E-mail: mail@teploizmerenie.ru