Перейти на главную страницу сайта

 

ИПДИ

 
Сделать заказ >>>
bline.gif (87 bytes)

 Поиск в каталоге:
 
ИПДИ Датчик избыточного давления / Приборы для измерения давления / Каталог продукции

Датчик избыточного давления ИПДИ


датчик избыточного давления
Описание:

Преобразователь измерительный избыточного давления ИПДИ (далее преобразователь) предназначен для непрерывного преобразования текущего значения измеряемого избыточного давления жидких и газообразных сред в аналоговый сигнал постоянного тока 4-20 мА. Датчик давления ИПДИ (преобразователь измерительный избыточного давления) предназначен для измерения избыточного давления жидких и газообразных сред.

Датчик имеет простую конструкцию и небольшие габариты. Выполнен в металлическом корпусе со степенью защиты IP54. Выходной сигнал датчика 4-20 мА. Диапазон измерения от 0-10 кПа (1 метра водяного столба) до 0-2,5МПа.

Датчик давления рекомендуются для технологических процессов, позволяющих использовать измерительные приборы с погрешностью 1%.

    Основные применения датчика избыточного давления ИПДИ:
  • Измерение давления в системах горячего и холодного водоснабжения;
  • Измерение давления в системах пожаротушения;
  • Измерение давления в компрессорных установках;
  • Измерение уровня жидкости в открытых резервуарах;
  • Измерение уровня жидкости в дренажных приямках.
Технические данные
Предел измерений Верхний предел измерения от 0-10 кПа до 0-2,5МПа из ряда: 1,25; 1,6; 2,5; 4; 6; 10 или десятичных кратных или дольных значений
Предельно допускаемое рабочее давление 3 Рном
Погрешность Предел допускаемой приведенной основной погрешности не более 1%
Дополнительная температурная погрешность на 10°С не более 0,2%
Межкалибровочный интервал 2 года
Выходной сигнал 4-20 мА
Напряжение питания 7,5-35 В пост. тока
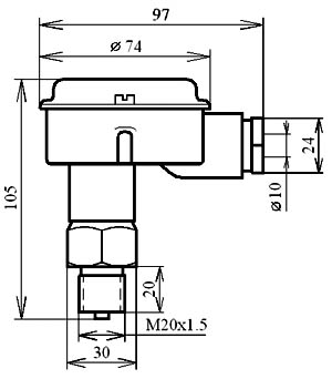
Корпус Габариты не более 97х74х105 мм
Степень защиты IP54 по ГОСТ 14254
Срок службы Не менее 10 лет
датчик избыточного давления ипди
Устройство и принцип работы

Датчик давления состоит из корпуса, штуцера и чувствительного элемента в корпусе. В верхней части корпуса датчика расположен кабельный ввод. Внутри корпуса датчика размещена плата преобразователя. Герметизация измеряемой среды обеспечивается штуцером, уплотнительными элементами и металлической мембраной чувствительного элемента.

Корпус выполнен из алюминиевого сплава с покрытием. Все детали датчика, соприкасающиеся с измеряемой средой, выполнены из коррозионно-стойких материалов. Мембрана выполнена из титанового сплава, а штуцер из нержавеющей стали 12Х18Н10Т.

Измеряемое давление подается в рабочую полость датчика и воздействует непосредственно на металлическую мембрану чувствительного элемента, вызывая ее прогиб.Чувствительный элемент - пластина монокристаллического сапфира с кремниевыми пленочными тензорезисторами (структура КНС), соединенная с металлической мембраной. Тензорезисторы соединены в мостовую схему. Деформация измерительной мембраны (деформация мембраны тензопреобразователя) приводит к пропорциональному изменению сопротивления тензорезисторов и разбалансу мостовой схемы. Сигнал с выхода мостовой схемы датчика преобразуется в токовый сигнал 4-20 мА.


Заказать ИПДИ Датчик избыточного давления

  Тел.(4812)386407, 386663, 387597. Факс(4812)385745
E-mail: mail@teploizmerenie.ru