Блоки извлечения корня БИКОР-01(02)
|
Блок извлечения корня БИКОР-01(02) предназначен
для работы в системах автоматического контроля, регулирования
и управления технологическими процессами совместно с дифференциальными
манометрами и обеспечивает питание датчика дифференциального давления и
преобразование значения перепада давления, измеряемого дифманометром,
в сигнал, пропорциональный расходу измеряемой среды. Блок извлечения
корня БИКОР предназначен для работы со вторичной регистрирующей
и показывающей аппаратурой, регуляторами и другими устройствами
автоматики, машинами централизованного контроля и управления,
работающими от стандартного входного сигнала 0—5 мА или 4—20 мА
постоянного тока. Например, источником входного сигнала может быть датчик
давления перепада Корунд-ДД илидатчик
давления перепада Корунд-ДД-Н Блок извлечения корня БИКОР-02
отличается от блока БИКОР-01 наличием жидкокристаллического индикатора
на передней панели блока.
Область
применения блока извлечения корня БИКОР:
Отрасли использования
блока извлечения корня БИКОР:
-
нефтяная промышленность;
-
газовая промышленность;
-
химическая промышленность;
-
энергетика;
-
коммунальное хозяйство и др.
|

|
Особенности блока извлечения корня БИКОР:
- стабильность статической характеристики вблизи нижней границы
чувствительности дифманометра (в зоне от 2 до 30% диапазона изменения
входного сигнала);
- включение линейного участка характеристики в области малых входных
сигналов (от -1,75 до +2% диапазона изменения входного сигнала).
Данные особенности позволяют повысить точность учета ресурсов в наиболее
трудноконтролируемой области малых расходов (см. график статической
характеристики блока).

Блок извлечения корня БИКОР.
график статической характеристики
Формула: 
Jвых. - текущее значение выходного сигнала, мА; Jвых.min
- минимальное значение выходного сигнала (0 или 4), мА; Jвых.max
- максимальное значение выходного сигнала (5 или 20), мА; Jвх. -
текущее значение входного сигнала, мА; Jвх.min - минимальное
значение входного сигнала (0 или 4), мА; Jвх.max - максимальное
значение входного сигнала (5 или 20), мА;
Устройство и работа блока извлечения корня БИКОР:
Конструктивно блоки извлечения корня БИКОР выполняется в двух вариантах:
- Первый вариант - в корпусе для щитового монтажа;
- Второй вариант- в корпусе для монтажа на стандартную DIN-рейку TS35.

Функциональная схема
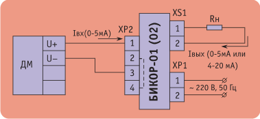
Дифференциальный манометр ДМ ( в качестве него применяется, например, датчик
давления перепада Корунд-ДД или датчик давления перепада Корунд-ДД-Н),
подключается к входным клеммам 1,2 блока. Питание дифманометра осуществляется от
встроенного источника питания ИП (+24В или +36 В), при этом выходной ток
дифманометра поступает на нормирующий резистор, включенный на входе
преобразователя напряжения в частоту ПНЧ. Падение напряжения на нормирующем
резисторе линейно преобразуется в частоту следования импульсом, поступающих на
оптрон ОП. Благодаря оптрону ОП осуществляется гальваническое разделение входных
и выходных цепей блока. Частотный выходной сигнал с оптрона поступает на вход
вычислительного устройства ВУ, которое преобразует его в 16-разрядный
параллельный код. Преобразование линейной характеристики в корневую происходит в
вычислительном устройстве ВУ с помощью апроксимации нормированной статической
характеристики дифманометра. Преобразованный параллельный код согласно корневой
характеристики поступает на цифровой жидкокристаллический индикатор И (для блока
БИКОР-02), установленный на лицевой панели блока и, одновременно, на
цифроаналоговый преобразователь ЦАП. Разрядность индикатора: 4 десятичных
разряда; диапазон индикации: 105,9 - -1,75%. Разрядность ЦАП - 12 двоичных
разрядов. Выходной сигнал ЦАП в виде напряжения постоянного тока поступает на
преобразователь напряжения в ток ПНТ и, далее, в нагрузку Rн, подключаемую к
выходным клеммам 3,4 блока.
Схемы подключения

Блок извлечения корня БИКОР. Схема подключения 1 (подключение блока с
входным сигналом 0-5 мА). |

Блок извлечения корня БИКОР. Схема подключения 2 (подключение блока
с входным сигналом 4-20 мА). |
Технические характеристики
|
Диапазон изменения входного сигнала, мА (ДИВС)
|
0…5; 4…20
|
|
Диапазон изменения выходного сигнала, мА
|
0…5; 4…20
|
|
Статическая характеристика в пределах -1,75…+2% ДИВС
|
линейная
|
|
Статическая характеристика в пределах +2…+107% ДИВС
|
см. формулу выше - под графиком
статической характеристики
|
|
Предел допустимой основной погрешности, %, не более
на линейном участке
на участке 2…16% ДИВС
на участке 16…100% ДИВС
|
не нормируется
0,15
0,12
|
|
Входное сопротивление блока, Ом, не более
для входного сигнала 4…20 мА
для входного сигнала 0…5 мА
|
100
400
|
|
Выходное напряжение питания датчика, В
|
24±0,48; 36±0,48
|
|
Потребляемая мощность, Вт, не более
|
7,5
|
|
Напряжение питания, В/Гц
|
220/50
|
Масса блока, кг, не более:
-
в корпусе для щитового монтажа
-
в корпусе на DIN-рейку TS35
|
3
2
|
|
Климатическое исполнение по ГОСТ 15150
БИКОР-01
БИКОР-02
|
УХЛ-3 при температуре окружающей среды::
от -10ОС до +60ОС
от 0ОС до +60ОС
|
|
Группа исполнения по ГОСТ 12997
|
С3
|
Габаритно-присоединительные размеры блока извлечения
корня БИКОР
|

Блок извлечения корня БИКОР
для щитового монтажа.
Габаритно-присоединительные размеры
|

Блок извлечения корня БИКОР
для реечного монтажа.
Габаритно-присоединительные размеры |
Надежность блоков извлечения корня БИКОР:
- Средняя наработка блоков на отказ на каждый канал - на менее 120000
часов.
- Средний срок службы - 12 лет.
|