Пассивный барьер искробезопасности Корунд-М3
|
Пассивные барьеры
искрозащиты КОРУНД-МЗ предназначены для работы с датчиками, формирующими
как естественный выходной сигнал (например, термопары и термометры
сопротивления стандартных градуировок с конструкцией обычного
исполнения), так и унифицированный токовый сигнал (например, 4—20 мА)
и другими техническими средствами промышленной автоматики,
не содержащими собственных источников электропитания. Барьеры
искрозащиты Корунд-М3 могут использоваться для работы в информативных
и управляющих каналах с частотными и импульсными сигналами напряжения
любой полярности, следующих с амплитудой 4; 12; 24В.
ВНИМАНИЕ! Все устройства, подключаемые
к барьерам искробезопасности Корунд-М3 со стороны взрывоопасной зоны,
должны иметь вид взрывозащиты "искробезопасная электрическая цепь".
|

Пассивный барьер
искрозащиты Корунд-М3
|
Пассивные барьеры искрозащиты КОРУНД-М3 могут использоваться, например,
совместно с датчиками
избыточного давления КОРУНД-ДИ или
с датчиками
перепада давления КОРУНД-ДД
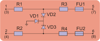
Функциональная схема пассивного барьера искрозащиты КОРУНД-М3

Барьер искрозащиты КОРУНД-М3 является двухканальным. Каналы функционально
и схемотехнически идентичны. На схемах изображены только первые каналы барьера
искробезопасности. Нумерация клеммных колодок второго канала указана в скобках.
Для исключения влияния одного канала энергетического барьера на другой через
общую шину заземления, а также увеличения их помехозащищенности при групповом
монтаже, ограничительные стабилитроны (диоды Зенера) соединены «звездой».
Для увеличения надежности цепочка стабилитронов (VD1-VD3) продублирована.
В барьере искрозащиты КОРУНД-МЗ как верхняя, так и нижняя ветви каналов содержат
ограничительные резисторы и предохранители. Реализуемый уровень взрывозащиты —
«ia». В пассивных барьерах искрозащиты КОРУНД-М3 используются стабилитроны
(диоды Зенера) с достаточной по взрывозащите величиной мощности рассеивания.
Технические характеристики пассивных барьеров искрозащиты КОРУНД-М21
|
Тип барьера
|
пассивный
|
|
Вид взрывозащиты
|
Искробезопасная электрическая цепь
|
|
Маркировка взрывозащиты
|
[Exia]IIC/IIB
|
|
Максимальное выходное напряжение на клеммах искробезопасной
цепи, В, не более
|
12,8
|
|
Максимальный выходной ток короткого замыкания, мА
|
120
|
|
Количество каналов
|
2
|
Сопротивление ветвей каналов, Ом Первая ветвь Вторая ветвь
|
110 110
|
|
Вход
|
Термометры, термопары
|
|
Выход
|
Входы измерительных устройств
|
|
Климатическое исполнение
|
УХЛ-3 (для температуры
окружающей среды от -30ОС до +70ОС
|
|
Степень защиты корпуса
|
IP30
|
Пассивные барьеры искробезопасности Корунд-М3 выпускаются в двух типах корпусов
- для монтажа на шину заземления (Корунд-М3) и для реечного монтажа на
стандартную DIN-рейку TS35 (Корунд-М3-DIN)
Габаритно-присоединительные размеры
пассивных барьеров искрозащиты
КОРУНД-М3 и КОРУНД-М3-DIN
 |
 |
Пассивный барьер искрозащиты
Корунд-М3 (для монтажа на шину заземления)
|
Пассивный барьер искрозащиты
Корунд-М3-DIN (для монтажа на DIN-рейку)
|
|