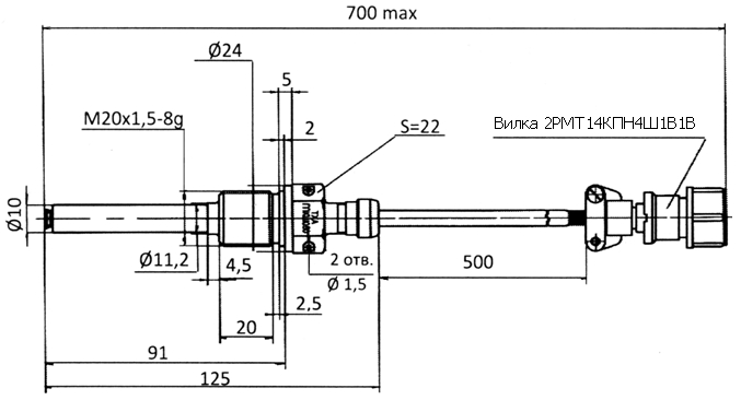
Преобразователи термоэлектрические ТХА.ГПКШ.050

Назначение: измерение температуры газовой и жидкой
среды
Технические характеристики:
|
рабочий диапазон |
от минус 200 до плюс 800 °С |
|
номинальная статическая характеристика преобразования по
ГОСТ Р8.585-2001 |
К |
|
класс допуска |
2 |
|
рабочее давление |
≤ 30 Мпа |
|
показатель тепловой инерции, с |
< 0,2 |
|
материал защитной арматуры |
12Х18Н10Т |
|
масса, г |
250 |
|