Датчик-реле напора и тяги ДЕМ-107
Назначение
Датчик-реле напора и тяги ДЕМ-107 предназначен для
использования в автоматических и автоматизированных
системах контроля. Управления и регулирования
избыточного давления (напора) и вакуумметрического
давления (тяги). Контролируемая среда воздух, газ,
топочные (уходящие) газы, неагрессивные к алюминиевому
сплаву АЛ9 и маслостойкой резине.
ДЕМ-107 конструктивно прост, удобен в эксплуатации,
не требует высокой квалификации в обслуживании.
Преимуществом является малая величина зоны возврата
2-10 Па.
Продукция сертифицирована:
Сертификат
соответствия на датчик-реле ДЕМ-107
Основные технические характеристики
Датчик-реле предназначен для работы в условиях:
-температура окружающего воздуха от -30 до +50 °С
-относительная влажность (95±3)% при температуре 35 °С;
-вибрация частотой до 25 Гц, амплитуда не более 0,1 мм.
|
диапазон настройки
уставок, кПа |
-0,15…0…+0,15
(-15…0…+15) |
|
Нормируемая величина
разброса срабатывания, не более:
– уставка 0
кПа
– уставка +0,15 кПа
– уставка -0,15 кПа |
Разброс +2 Па
Разброс ±5 Па
Разброс ±5 Па |
|
Разброс на
промежуточных уставках рассчитывается по
формуле,
где N – величина уставки в Па |
δ = ±(2±0,02N) |
|
Величина зоны
возврата, Па (кгс/м²) |
2 – 10 (0,2 – 1) |
|
давление перегрузки,
кПа (кгс/м²)
напора
тяги |
5 (500)
1 (100) |
|
напряжение
постоянного тока, В |
30 |
|
Номинальная величина
силы тока. мА |
100 |
|
Габаритные размеры,
мм |
255×285×80 |
|
Масса, кг |
2,4 |
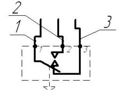
Подключение датчика-реле к электрической цепи
осуществляется по нижеприведенной электрической схеме
|
 |
|
Схема электрическая
подключения |
|
номер провода |
цвет изоляции |
Допускаемая замена по цвету изоляции |
|
1 |
черный |
фиолетовый, коричневый |
|
2 |
красный |
розовый, желтый, оранжевый |
|
3 |
белый |
синий, голубой, зеленый |
Пример записи при заказе: Датчик-реле ДЕМ-107
ТУ 25-7320.010-91
Фотографии прибора
|
 |
|
Датчик-реле напора и тяги
ДЕМ-107 |
|
 |
|
Датчик-реле напора и тяги
ДЕМ-107 |
|