Перейти на главную страницу сайта

 

СУ, СР, СК

 
Сделать заказ >>>
bline.gif (87 bytes)

 Поиск в каталоге:
 
СУ, СР, СК Сосуды / Функциональная аппаратура / Каталог продукции

Сосуды СУ, СР, СК

Сосуды СУ, СР, СКСосуды уравнительные

Сосуды уравнительные СУ предназначены для исключения влияния на результат измерений высоты столба жидкости в импульсной линии путем поддержания постоянного уровня жидкости в сосуде по отношению к измеряемому переменному уровню в резервуарах при измерении дифманометрами уровня жидкости в резервуарах, а также перепада давления или расхода жидкостей с температурой свыше 100 ºС для обеспечения равенства плотностей жидкости в импульсных линиях.

Сосуды выпускаются по ТУ 25-7439.0018-90.

Основные характеристики указаны в табл.

Габаритные и присоединительные размеры сосудов СУ указаны на рис. 1.

Условное обозначение Условное давление, МПа Исполнение Материал Пробное давление, МПа
СУ-6,3-2-А 6,3 2 Ст. 20
ГОСТ 1050-88
9,5
СУ-6,3-2-Б Ст. 12Х18Н10Т
ГОСТ 5632-72
СУ-25-2-А 25 2 Ст. 20
ГОСТ 1050-88
35
СУ-25-2-Б Ст. 12Х18Н10Т
ГОСТ 5632-72
СУ-6,3-4-А 6,3 4 Ст. 20
ГОСТ 1050-88
9,5
СУ-6,3-4-Б Ст. 12Х18Н10Т
ГОСТ 5632-72
СУ-40-А 40 - Ст. 20
ГОСТ 1050-88
56
СУ-40-Б Ст. 12Х18Н10Т
ГОСТ 5632-72

 

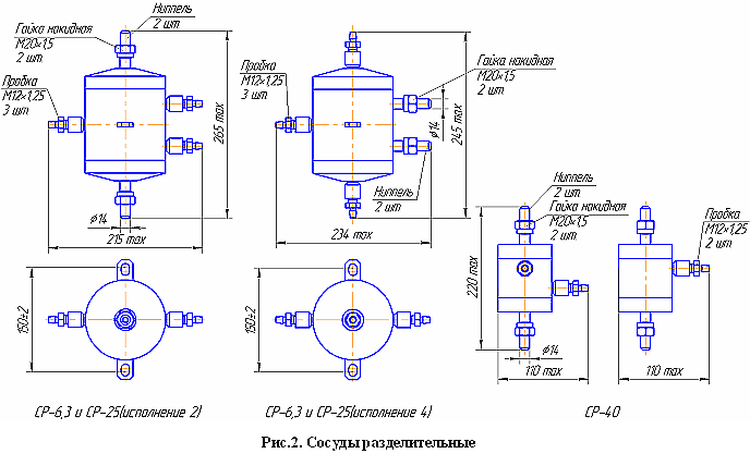
Сосуды разделительные

Сосуды разделительные СР предназначены для защиты внутренних полостей дифманометров от непосредственного воздействия измеряемых агрессивных сред путем передачи измеряемого давления через разделительную жидкость.

Сосуды выпускаются по ТУ 25-7439.0018-90.

Основные характеристики указаны в таблице.

Габаритные и присоединительные размеры сосудов СР указаны на рис. 2.

Условное обозначение Условное давление, МПа Исполнение Материал Пробное давление, МПа
СР-6,3-2-А 6,3 2 Ст. 20
ГОСТ 1050-88
9,5
СР-6,3-2-Б Ст. 12Х18Н10Т
ГОСТ 5632-72
СР-25-2-А 25 2 Ст. 20
ГОСТ 1050-88
35
СР-25-2-Б Ст. 12Х18Н10Т
ГОСТ 5632-72
СР-6,3-4-А 6,3 4 Ст. 20
ГОСТ 1050-88
9,5
СР-6,3-4-Б Ст. 12Х18Н10Т ГОСТ 5632-72
СР-25-4-А 25 4 Ст. 20
ГОСТ 1050-88
35
СР-25-4-Б Ст. 12Х18Н10Т
ГОСТ 5632-72
СР-40-А 40 - Ст. 20
ГОСТ 1050-88
56
СР-40-Б Ст. 12Х18Н10Т
ГОСТ 5632-72

 

Сосуды уравнительные конденсационные

Сосуды уравнительные конденсационные СК предназначены для поддержания постоянства и равенства уровней конденсата в системе, передающей перепад давления от диафрагмы к дифманометру, при измерении расхода водяного пара.

Сосуды выпускаются по ТУ 25-7439.0018-90.

Основные характеристики указаны в табл.

Габаритные и присоединительные размеры сосудов СК указаны на рис. 3.

Условное обозначение Условное давление, МПа Исполнение Материал Пробное давление, МПа
СК-4-1-А 4 1 Ст. 20
ГОСТ 1050-88
6
СК-4-1-Б Ст. 12Х18Н10Т
ГОСТ 5632-72
СК-10-1-А 10 1 Ст. 20
ГОСТ 1050-88
15
СК-10-1-Б Ст. 12Х18Н10Т
ГОСТ 5632-72
СК-40-А 40 - Ст. 20
ГОСТ 1050-88
56
СК-40-Б Ст. 12Х18Н10Т
ГОСТ 5632-72

 

Возможно изготовление сосудов по требованиям заказчика.


Заказать СУ, СР, СК Сосуды

  Тел.(4812)386407, 386663, 387597. Факс(4812)385745
E-mail: mail@teploizmerenie.ru