Назначение
Модуль МСБИ-302 представляет собой стационарное
изделие непрерывного действия с искробезопасным входом,
предназначен для работы в системах аварийной защиты,
сигнализации и управления на предприятиях химической,
нефтехимической и других отраслей промышленности, связанных
с производством взрыво- и пожароопасных продуктов.
Принцип действия
Входной сигнал – замыкание или размыкание контакта
электроконтактного датчика или унифицированный токовый
сигнал 0 – 20 мА.
Выходной сигнал – коммутация электрических цепей постоянного
или переменного тока частотой 50 Гц с напряжением до 240 В и
током не более 1 А.
Модуль имеет токовую уставку, управляющую состоянием
релейного выходного сигнала. Величина уставки в диапазоне 1
– 20 мА указывается потребителем при заказе. При отсутствии
указаний потребителя настраивается значение уставки – 10 мА.
Потребитель имеет возможность перенастроить уставку на любое
значение из диапазона 1 – 20 мА.
Исполнения
Модуль выпускается в исполнениях согласно таблице,
различающихся напряжением питания и световой индикацией и
параметрами искробезопасной цепи.
| Тип изделия |
Питание |
Цвет индикатора
"Сраб" |
Стандарт
на параметры
искробезопасной цепи |
| При J<Jу |
При J>Jу |
| МСБИ-302-220-1 |
~ 220 В |
красный |
зеленый |
ГОСТ Р 51330.10-99
(МЭК 60079-11-99) |
| МСБИ-302-220-2 |
зеленый |
красный |
| МСБИ-302-24-1 |
= 24 В |
красный |
зеленый |
| МСБИ-302-24-2 |
зеленый |
красный |
| МСБИ-302-24-3 |
- |
зеленый |
| МСБИ-302-24-4 |
- |
красный |
| МСБИ-302-24-5 |
красный |
- |
| МСБИ-302-24-6 |
- |
- |
| МСБИ-302-220-3 |
~ 220 В |
- |
- |
| МСБИ-302-220-1N |
красный |
зеленый |
EN
19 234 (NAMUR) |
| МСБИ-302-220-2N |
зеленый |
красный |
| МСБИ-302-24-1N |
= 24 В |
красный |
зеленый |
| МСБИ-302-24-2N |
зеленый |
красный |
| МСБИ-302-12-2N |
= 12 В |
зеленый |
красный |
Технические характеристики
Входные сигналы:
- от датчиков с унифицированным токовым сигналом - 0 ... 20
мА;
- от датчиков релейного типа (ГОСТ Р51330.10-99)(скачок тока
в диапазоне) - 0 ... 20 мА;
- от датчиков релейного типа NAMUR (скачок тока в диапазоне)
- 0,8 ... 8 мА;
от датчиков типа "сухой контакт":
- ток короткого замыкания, не более - 25 мА;
- напряжение холостого хода, не более - 24 В;
для датчиков типа NAMUR:
- ток короткого замыкания, не более - 8 мА;
- напряжение холостого хода, не более - 8 В.
Выходной сигнал - коммутация электрических цепей постоянного
или переменного тока частотой 50 Гц с напряжением до 240 В и
током не более 1 А.
Модули с параметрами искробезопасной цепи по ГОСТ
Р51330.10-99 имеют уставку, управляющую состоянием релейного
выходного сигнала. Величина уставки в диапазоне от 1 - 20 мА
указывается потребителем при заказе. При отсутсвии указаний
потребителя настраивается значение уставки - 10 мА.
Потребитель имеет возможность перенастроить уставку на любое
значение из диапазона 1 - 20 мА.
Электрические параметры внешних искробезопасных цепей:
- ток короткого замыкания искробезопасных цепей – не более
25 мА;
- напряжение холостого хода искробезопасных цепей – не более
24 В;
- сопротивление линии связи между модулем и датчиком – не
более 100 Ом;
- электрическая емкость, подключенная к искробезопасным
цепям модуля (включая емкость линии связи) – не более 0,03
мкФ;
- электрическая индуктивность, подключенная к
искробезопасным цепям модуля (включая индуктивность линии
связи) – не более 1 мГн;
Электрическое питание: - от сети переменного тока
напряжением 220 В, частотой 50 Гц;
- от сети постоянного тока напряжением 24 В;
- от сети постоянного тока напряжением 12 В.
Потребляемая электрическая мощность, не более:
- для МСБИ-302-220 – 5 В·А;
- для МСБИ-302-24 – 4,5 Вт;
- для МСБИ-302-12 – 5 Вт.
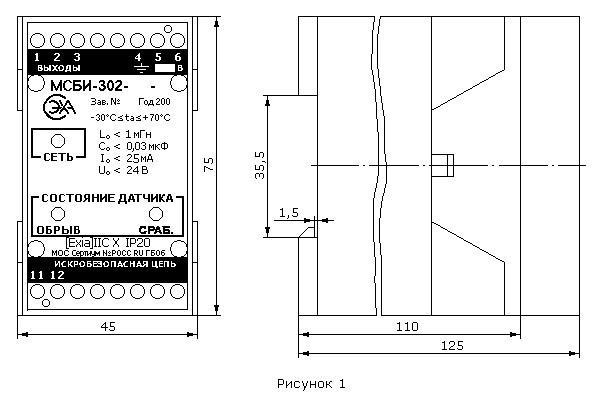
Габаритные размеры – не более 125х75х45 мм.
Масса – не более 0,2 кг.
Установочные размеры приведены на рис.1
Взрывозащищенность
Модуль имеет вид взрывозащиты "искробезопасная
электрическая цепь" в соответствии с ГОСТ Р51330.10,
маркировку взрывозащиты [Exia]IICX и предназначен для
установки вне взрывоопасных зон помещений.
Устройство соответствует всем требованиям, изложенным в
"Общих правилах взрывобезопасности для взрывопожароопасных
химических, нефтехимических и нефтеперерабатывающих
производств" ПБ 09-170-97 и пригодно для использования в
системах противоаварийной защиты (ПАЗ).
Монтаж и эксплуатация
Модуль должен устанавливаться вне взрывоопасной зоны в
закрытом помещении на щите или панели с помощью стандартной
монтажной планки, которая может быть поставлена по
отдельному заказу. Длина планки определяется заказчиком и
равна ширине модуля (45 мм), умноженной на количество
модулей, монтируемых на одной планке.
При монтаже необходимо руководствоваться гл. ЭШ-13 по ПТЭ и
ПБТ. Монтаж модуля и подвод электропитания к нему производят
в соответствии с действующим нормативным документом "Правила
устройства электроустановок" ПУЭ и по рис.2.
Линия связи электроконтактного датчика с искробезопасным
входом модуля должна быть проложена изолированным медным
проводом сечением не менее 0,35 мм2 ГОСТ 10348-80Е.
Сетевые провода и провода коммутируемых цепей должны
прокладываться отдельно от проводов искробезопасной цепи.
Использование одного кабеля для искробезопасных и
искроопасных цепей не допускается.
Провода искробезопасных цепей должны быть защищены от
наводок, нарушающих их искробезопасность.
Электрическая емкость, подключенная к искробезопасным цепям
модуля (включая индуктивность линии связи), - не более 0,03
мкФ.
Электрическая индуктивность, подключенная к искробезопасным
цепям модуля (включая индуктивность линии связи), - не более
1 мГн.
Сопротивление линии связи между модулем и датчиком – не
более 100 Ом.
Модуль имеет степень защиты от проникновения твердых тел и
воды – IP20 по ГОСТ 14254.
Условия эксплуатации:
- температура окружающего воздуха в месте установки модуля
от минус 30 до плюс 70°С;
- относительная влажность до 95% при 35°С и более низких
температурах без конденсации влаги;
- допустимая вибрация в месте установки модуля частотой от
10 до 55 Гц с амплитудой смещения не более 0,35 мм.
Гарантии изготовителя
Гарантийный срок хранения - 3 года.
Гарантийный срок эксплуатации - 18 месяцев.
Комплектность
В комплект поставки входят:
- модуль сигнально-блокировочный искробезопасный МСБИ-302 (модификация
по заказу) - 1 шт.
- вставка плавкая ВП1-2-0,5 А - 2 шт.
- руководство по эксплуатации - 1 экз.
- паспорт - 1экз.
Пример записи обозначения при заказе
Пример записи обозначения модуля с напряжением питания
220 В переменного тока, с индикацией "Сраб." при Jу
красным цветом, при J>Jу зеленым цветом и с параметрами
искробезопасной цепи по ГОСТ Р51330.10-99 при заказе:
"Модуль сигнально-блокировочный искробезопасный
МСБИ-302-220-1 0.361.001 ТУ "
Габаритные и установочные размеры МСБИ-302

Схема электрическая соединений МСБИ-302
