Перейти на главную страницу сайта

 

ТСП/1-1288, ТСМ/1-1288

 
Сделать заказ >>>
bline.gif (87 bytes)

 Поиск в каталоге:
 
ТСП/1-1288, ТСМ/1-1288 Термопреобразователи сопротивления платиновые и медные / Приборы для измерения температуры / Каталог продукции

Термопреобразователи сопротивления платиновые и медные ТСП/1-1288, ТСМ/1-1288

Термопреобразователи сопротивления платиновые и медные ТСП/1-1288, ТСМ/1-1288

НАЗНАЧЕНИЕ

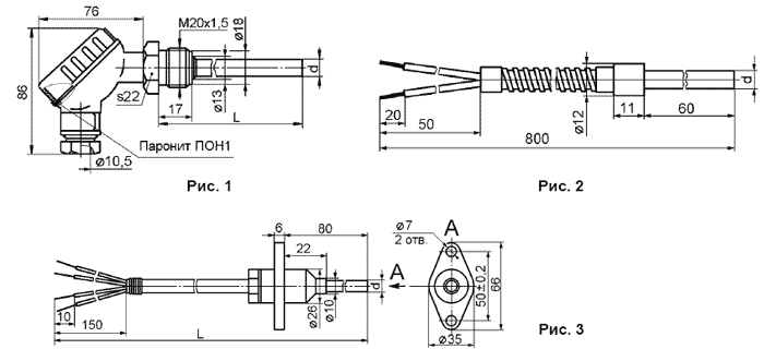
Для измерения температуры жидких, газообразных сред и твердых тел (рис. 1), твердых тел (рис. 2) и воздуха грузовых изотермических вагонов (рис. 3).

ТЕХНИЧЕСКИЕ ХАРАКТЕРИСТИКИ по ТУ 4211-032-12150638-2003

Диапазон измеряемых температур, 0С:

– ТСМ/1-1288 ........................................................................................................ от минус 50 до плюс 150

– ТСП/1-1288 ........................................................................................................ от минус 50 до плюс 300

Номинальная статическая характеристика преобразования (НСХ)

по ГОСТ 6651-94 ....................................................................................................... 50М, 100М, 50П, 100П

Класс допуска по ГОСТ 6651-94 ............................................................................................................. В, С

Материал защитной арматуры .........................................................................................сталь 12Х18Н10Т

Материал головки (рис. 1) прессматериал АГ-4В, ДСВ-2Р.

При заказе и записи в технической документации необходимо указать:

– тип термопреобразователя (ТСП/1-1288, ТСМ/1-1288);

– номер рисунка (1, 2 или 3);

– НСХ преобразования (50М, 100М, 50П или 100П);

– класс допуска (В или С);

– номер схемы соединений (2, 3 или 4);

– диаметр монтажной части защитной арматуры d (6 или 8 мм);

– длину монтажной части защитной арматуры L для исполнения по рисунку 1 – 80, 100, 120, 160, 200, 250, 320, 400, 500 мм;

– длину термопреобразователя L для исполнений по рисунку 3 – 530, 3080, 4580, 6080, 20080 мм;

– обозначение технических условий.

Примечание. Термопреобразователи исполнения по рисунку 2 выпускаются только со схемой соеди- нения 2.

 

 

Пример записи при заказе

Термопреобразователь ТСП/1-1288, исполнения по рисунку 1, НСХ 100П, класса допуска В, со схемой соединений 4, диаметром защитной арматуры d=6 мм, длиной монтажной части L=320 мм – «ТСП/1-1288, рис. 1, 100П, кл. В, схема 4, d=6 мм, L= 320 мм ТУ 4211-032-12150638-2003».


Заказать ТСП/1-1288, ТСМ/1-1288 Термопреобразователи сопротивления платиновые и медные

  Тел.(4812)386407, 386663, 387597. Факс(4812)385745
E-mail: mail@teploizmerenie.ru