Перейти на главную страницу сайта

 

ТСП/1-1287

 
Сделать заказ >>>
bline.gif (87 bytes)

 Поиск в каталоге:
 
ТСП/1-1287 Термопреобразователи сопротивления платиновые / Приборы для измерения температуры / Каталог продукции

Термопреобразователи сопротивления платиновые ТСП/1-1287

НАЗНАЧЕНИЕ

Для измерения температуры жидких и газообразных сред в химической и газовой промышленности и в криогенной технике.

ТЕХНИЧЕСКИЕ ХАРАКТЕРИСТИКИ по ТУ 4211-106-12150638-2003

Диапазон измеряемых температур, 0С:

– исполнение по рис. 1, 3 класс допуска А .......................................................от минус 200 до плюс 200

– исполнение по рис. 1, 3 класс допуска В ........................................................от минус 200 до плюс 500

– исполнение по рис. 2, класс допуска В ............................................................от минус 50 до плюс 200

Номинальная статическая характеристика преобразования (НСХ) по ГОСТ 6651-94 ...........50П, 100П

Показатель тепловой инерции, с, не более ............................................................................................... 20

Схема соединений:

– класс допуска А ........................................................................................................................................ 4;

– класс допуска В ................................................................................................................................ 2, 3, 4.

Защищенность от пыли и воды по ГОСТ14254-96 ...............................................................................IP55

Материал защитной арматуры .........................................................................................сталь 12Х18Н10Т

Термопреобразователи сопротивления платиновые ТСП/1-1287  

 

 

При заказе и записи в технической документации необходимо указать:

– тип термопреобразователя (ТСП/1-1287);

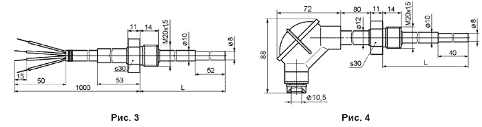
– номер рисунка (1, 2, 3 или 4);

– НСХ преобразования (50П или 100П);

– класс допуска (А, В);

– номер схемы соединений (2, 3, 4);

– длину монтажной части защитной арматуры L – 80, 100, 120, 160, 200, 250, 320, 400, 500;

– обозначение технических условий.

Пример записи при заказе

Термопреобразователь ТСП/1-1287, исполнения по рисунку 1, НСХ 100П, класса допуска А, со схемой соединений 4, длиной монтажной части L=400 мм – «ТСП/1-1287, рис. 1, 100П, кл.А, схема 4, L=400 мм ТУ 4211-106-12150638-2003».


Заказать ТСП/1-1287 Термопреобразователи сопротивления платиновые

  Тел.(4812)386407, 386663, 387597. Факс(4812)385745
E-mail: mail@teploizmerenie.ru