Перейти на главную страницу сайта

 

ЕхОППЗ-2В-ПМ-Р

 
Сделать заказ >>>
bline.gif (87 bytes)

 Поиск в каталоге:
 
ЕхОППЗ-2В-ПМ-Р Оповещатель пожарный звуковой повышенной мощности / Функциональная аппаратура / Каталог продукции

Оповещатель пожарный звуковой повышенной мощности с расширенным диапазоном температуры эксплуатации ЕхОППЗ-2В-ПМ-Р

Оповещатель пожарный звуковой повышенной мощности с расширенным диапазоном температуры эксплуатации ЕхОППЗ-2В-ПМ-Р НАЗНАЧЕНИЕ
 

Оповещатели пожарные звуковые взрывозащищенные с расширенным диапазоном температуры эксплуатации ЕхОППЗ-2В-ПМР повышенной мощности соответствуют ТУ 4371-073-12150638-2002 и предназначены длянепрерыв-ной круглосуточной работы в дежурном режиме (обеспече­ние возможности выдачи звуковых сигналов тревожной сигнализации) в системах пожарной сигнализации и пожа­ротушения при совместной работе с приемно-контрольны-ми устройствами. Оповещатели могут быть применены во взрывоопасных зонах 1 и 2 классов по ГОСТ Р 51330.9-99 и ГОСТ Р 51330.13-99. Оповещатели ЕхОППЗ-2В-ПМР допускается использовать при температуре окружающей среды от 70 до 120°С в течение 3-х часов во взрывоопас­ной зоне с группой взрывоопасной смеси Т1-Т4.

ТЕХНИЧЕСКИЕ ХАРАКТЕРИСТИКИ
 

Несущая частота звукового сигнала Оповещателей (зву­ковой сигнал промодулирован по частоте) находится в диапазоне частот от 1500 до 3000 Гц. Максимальное значение уровня звукового давления оповещателей на расстоянии 1,0 м вдоль его оси при номинальном напряжении электропитания составляет, не менее: при тем­пературе до 70°С - 105дБ; при температуре от 70°С до 120°С в течение 3 часов - 100дБ.

Оповещатели работают от источника постоянного тока напряжением от 10,8 до 26,4В, номинальное напряжение питания 24В. Схема подключения - двухпроводная.

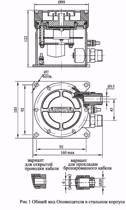
Оповещатели поставляются: с переменным звучанием типа «сирена» (индекс в обозна­чении- 1) или непрерывным (индекс -2). Ток потребления при напряжении 24В в режиме «сирена» 120 мА, при непрерывном звучании - 300 мА. Время непрерывной работы в режиме подачи тревожной сигнализации - не более 180 минут. Вид и уровень взрывозащиты оповеща­телей ЕхОППЗ-2В-ПМР - 1ExdIICT6. Степень защиты - IP 65 по ГОСТ 14254-96. Общий вид Оповещателя приведен на рис.1

Оповещатели ЕхОППЗ-2В-ПМР могут эксплуатироваться в климатических зонах УХЛ3.1 и ХЛ 1.1 по ГОСТ 15150-69 в диапазоне температуры от минус 60 до плюс 70°С постоянно и в те­чение 3 часов при температуре от 70 до 120°С в атмосфере типа II, III или IV по ГОСТ 15150-69 (материал корпуса коррозионностойкая сталь 12Х18Н10Т) - индекс в обо­значении ив атмосфере типа II по ГОСТ 15150-69 (материал корпуса алюминиевый сплав) - индекс в обо­значении - А.

Оповещатели поставляются с кабельными вводами различных исполнений: для присоединения брониро­ванного кабеля (Б), для открытой прокладки присо­единяемого кабеля (К), для прокладки кабеля в трубе (Т) с присоединительной резьбой G 3/4, (возможна

 

 по­ставка с присоединительной резьбой G 1/2) В комплект каждого кабельного ввода входят резиновые уплотне­ния кабелей с диаметрами по поясной изоляции 8-10, 10-12 и 12-14 мм.

Масса Оповещателя не более 3,0 кг.

Пример записи при заказе: Оповещатель пожарный звуковой взрывозащищенный с расширенным диапазо­ном температуры эксплуатации повышенной мощности ЕхОППЗ -2В-ПМР, предназначенный для эксплуатации в диапазоне температур от минус 60 до плюс 70°С посто­янно и в течение 3 часов от 70 до 120°С, в корпусе из алю­миниевого сплава (А), для прокладки кабеля в трубе с присоединительной резьбой G 1/2 (T-G1/2), непрерывное звучание (2): «Оповещатель пожарный звуковой взры­возащищенный с расширенным диапазоном темпера­туры эксплуатации повышенной мощности ЕхОППЗ -2В-ПМР-А-Т-G1/2-2 ТУ 4371-073-12150638-2002».


Заказать ЕхОППЗ-2В-ПМ-Р Оповещатель пожарный звуковой повышенной мощности

  Тел.(4812)386407, 386663, 387597. Факс(4812)385745
E-mail: mail@teploizmerenie.ru