Манометр показывающий М-1/4С
Назначение
- измерение избыточного давления кислорода.
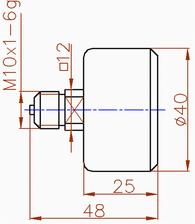
Расположение штуцера - осевое.
Резьба присоединительного штуцера - М 1 0 х 1; 6 g
Диаметр корпуса (мм) - 40.
Класс точности - 2,5.
Диапазон измерений (МПа) - 0-0,6; 0-2,5; 0-4; 0-25; 0-40
Габаритные и присоединительные размеры

|